SA(SAM、SAF、SAP、SLA)型单级双吸中开离心泵输送的介质温度为-20℃--80℃,适用于输送各种工业用水、生活用水、自来水及水利工程,农田排灌等用途。
SA型用于输送清水或物理、化学性质类似于清水的液体。
SAM型用于输送含有一定量的固体颗粒的腐蚀性液体。
SAF型用于输送各类腐蚀性液体。
SAP型是在SA型泵的基础上吸收消化国外同类泵技术上改型和扩充的一个新品种。
● 性能范围:流量:72--9900m³/h 扬程:6.8—104m
所有泵均可根据用户使用要求调整其运行参数。
● 结 构:SA(SAM、SAF、SAP)型泵为卧式安装,吸入口与吐出口均在泵轴中心线下方,泵体水平中开,检修时不需折卸进、出水管路。
SLA为立式安装,吸入口和吐出口均在水平方向,泵体、泵盖的分开面在轴中心线上垂直分开。
轴承:泵两端均为滚动轴承(其中24SA--18、16SA--90可选用滑动轴承)支撑转子部件,稀油或油脂润滑。
轴封:①软填料密封;②机械密封从电机端看,泵逆时针旋转,也可按用户要求制成顺时针旋转。
● 过流部件材质:泵的过流部件材质均为铸铁,如用户需要可采用铸钢和铜制造,但需要在合同中注明。
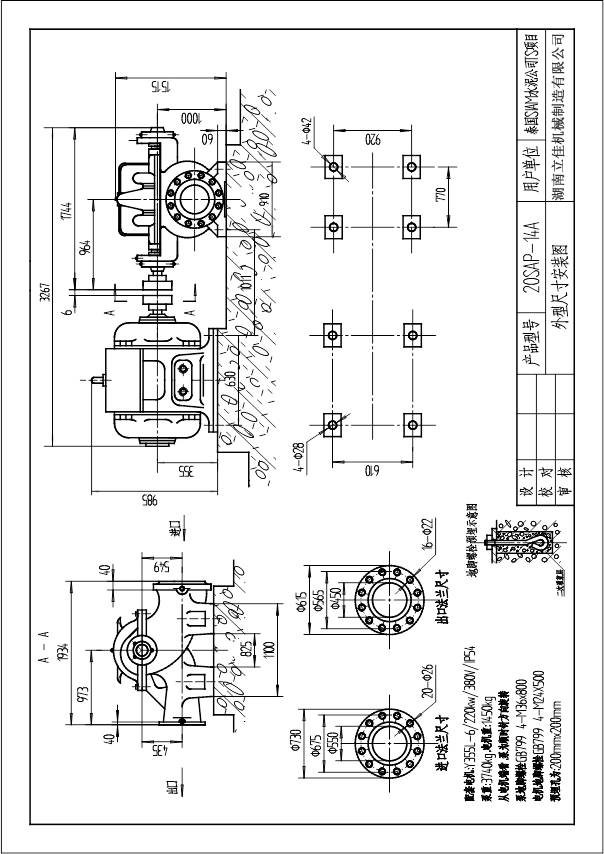
● 型号说明:例:10SA(SAP、SAM、SAF、SLA)--6A
10一吸入口径被25除(即吸入口径为250mm)
SA--单级双吸离心清水泵
SAP--SA改进泵
SAM--耐磨型单级双吸离心泵
SAF--耐腐蚀型单级双吸离心泵
SLA--立式单级双吸离心泵
6--比转数被10除化整的约数
A--叶轮第一次切割
结构说明:
SAP型系列泵结构见图所示
1、本型泵壳体部分主要由泵体、泵盖、密封环等零件组成,泵为卧式安装,泵壳于轴心线处分开,上部为泵盖,下部为泵体,吸入口和吐出口均在泵轴线下方的泵体上,其中心线与轴线垂直。检修时不需拆卸进水和出水管路,即可揭开泵盖,取出转子部件进行检修和更换有关零件。
2、转子部件由轴、叶轮、轴套、挡水圈、锁紧螺母等零件组成,轴上零件均由两端圆螺母锁紧,并将整个主轴保护起来,从而提高轴的使用寿命,转子上轴向力由叶轮自身平衡,剩余轴向力由滚动轴承承受。
3、轴承采用滚动轴承、干油润滑。轴承装在轴承衬套上成为一体,便于轴上零件的更换。轴际端盖密封采用骨架油封。
4、轴封采用软填料密封和机械密封两种形式,供用户选择。
填料密封由填料套、填料环、填料和填料压盖等零件组成。填料部位的冷却、润滑均由水封管部件通过引用泵内自身水完成。
机械密封由非平衡型机械密封部件和压盖等零件组成。
机械密封部位的冲洗、冷却水由水封管部件通过引用泵内自身水完成,也可接用外来水完成。
5、水封管部件由水封管、弯头、和闸阀组成。
6、本系列泵采用弹性柱销联轴器由电机直接驱动。
7、泵的旋转方向,从电机端向泵看,为逆时针方向旋转,即吸入口在左,吐出口在右。
根据用户要求,也可将驱动端移到泵的另一端。此时,转向和吸入、吐出口方向均与上述相反。
泵 型 号 | 装配部位 | 轴 承 名 称 | 轴承规格 | 数 量 | 轴承体结构型式 |
6SAP-6 | 从动端 | 深沟球轴承 | 310 | 1 | 结构一 |
驱动端 | 深沟球轴承 | 310 | 1 | ||
6SAP-8 8SAP-10 | 从动端 | 深沟球轴承 | 308 | 1 | |
驱动端 | 深沟球轴承 | 308 | 1 | ||
8SAP-7 | 从动端 | 深沟球轴承 | 312 | 1 | |
驱动端 | 深沟球轴承 | 312 | 1 | ||
10SAP-6 12SAP-10 | 从动端 | 深沟球轴承 | 316 | 1 | |
驱动端 | 深沟球轴承 | 316 | 1 | ||
12SAP-4 | 从动端 | 深沟球轴承 | 6316 | 1 | 结构三 不带轴承内套 |
驱动端 | 深沟球轴承 | 6316 | 1 | ||
14SAP-4 | 从动端 | 深沟球轴承 | 6319 | 1 | 结构三 不带轴承内套 |
驱动端 | 单列向心短圆柱滚子轴承 | NU319 | 1 | ||
14SAP-10 14SAP-20 | 从动端 | 深沟球轴承 | 316 | 1 | 结构一 |
驱动端 | 深沟球轴承 | 316 | 1 | ||
16SAP-9J | 从动端 | 深沟球轴承 | 319 | 1 | |
驱动端 | 单列向心短圆柱滚子轴承 | 32319 | 1 | ||
16SAP-10 | 从动端 | 深沟球轴承 | 318 | 1 | 结构二 |
驱动端 | 深沟球轴承 | 318 | 1 | ||
16SAP-13 | 从动端 | 深沟球轴承 | 313 | 1 | 结构三 不带轴承内套 |
驱动端 | 深沟球轴承 | 313 | 1 | ||
20SAP-4 | 从动端 | 深沟球轴承 | 6326 | 1 | 结构三 不带轴承内套 |
驱动端 | 单列向心短圆柱滚子轴承 | NU326 | 1 | ||
20SAP-5 | 从动端 | 深沟球轴承 | 326 | 1 | 结构二 不带轴承内套 |
单列向心短圆柱滚子轴承 | 2326 | 1 | |||
驱动端 | 单列向心短圆柱滚子轴承 | NU326 | 1 | ||
20SAP-6 | 从动端 | 深沟球轴承 | 326 | 1 | 结构二 |
单列向心短圆柱滚子轴承 | NU326 | 1 | |||
驱动端 | 单列向心短圆柱滚子轴承 | NU326 | 1 | ||
20SAP-10 | 从动端 | 深沟球轴承 | 324 | 1 | 结构一
|
驱动端 | 单列向心短圆柱滚子轴承 | 32324 | 1 | ||
20SAP-14 | 从动端 | 深沟球轴承 | 324 | 1 | |
驱动端 | 单列向心短圆柱滚子轴承 | 32324 | 1 | ||
20SAP-20 20SAP-22 | 从动端 | 深沟球轴承 | 316 | 1 | |
驱动端 | 深沟球轴承 | 316 | 1 | ||
20SAP-28 | 从动端 | 深沟球轴承 | 316 | 1 | |
驱动端 | 深沟球轴承 | 316 | 1 | ||
24SAP-6 | 从动端 | 深沟球轴承 | 328 | 1 | 结构二 |
单列向心短圆柱滚子轴承 | 32328 | 1 | |||
驱动端 | 单列向心短圆柱滚子轴承 | 32328 | 1 | ||
24SAP-10 | 从动端 | 深沟球轴承 | 324 | 1 | 结构一 |
驱动端 | 深沟球轴承 | 324 | 1 |
轴承型号及规格表二
泵 型 号 | 装配部位 | 轴 承 名 称 | 轴承规格 | 数 量 | 轴承体结构型式 |
24SAP-14 | 从动端 | 深沟球轴承 | 324 | 1 | 结构一 |
驱动端 | 单列向心短圆柱滚子轴承 | 32324 | 1 | ||
24SAP-18 | 从动端 | 深沟球轴承 | 324 | 1 | |
驱动端 | 单列向心短圆柱滚子轴承 | 32324 | 1 | ||
24SAP-28 | 从动端 | 深沟球轴承 | 319 | 1 | |
驱动端 | 单列向心短圆柱滚子轴承 | 32319 | 1 | ||
26SAP-10 | 从动端 | 深沟球轴承+单列向心短圆柱滚子轴承 | 6326 NU326 | 各1 | 结构二 |
驱动端 | 单列向心短圆柱滚子轴承 | NU326 | 1 | ||
28SAP-9J | 从动端 | 深沟球轴承 | 330 | 1 | 结构一 |
驱动端 | 深沟球轴承 | 330 | 1 | ||
28SAP-12 | 从动端 | 深沟球轴承 | 6326 | 1 | 结构三 |
驱动端 | 单列向心短圆柱滚子轴承 | NU326 | 1 | ||
28SAP-25 | 从动端 | 深沟球轴承 | 319 | 1 | 结构一 |
驱动端 | 单列向心短圆柱滚子轴承 | 2319 | 1 | ||
32SAP-9 | 从动端 | 深沟球轴承 | 330 | 1 | 结构一 |
驱动端 | 深沟球轴承 | 330 | 1 | ||
32SAP-10 | 从动端 | 深沟球轴承 | 6326 | 1 | 结构三 |
驱动端 | 单列向心短圆柱滚子轴承 | NU326 | 1 | ||
32SAP-12 | 从动端 | 单列角接触轴承 | 37330BCB | 2(背对背) | 结构二 不带轴承内套 |
驱动端 | 深沟球轴承 | 630(SKF) | 2 | ||
32SAP-13 | 从动端 | 深沟球轴承 | 6328 | 1 | 结构三 |
单列向心短圆柱滚子轴承 | NU328 | 1 | |||
驱动端 | 单列向心短圆柱滚子轴承 | NU328 | 1 | ||
32SAP-19 32SAP-25 | 从动端 | 深沟球轴承 | 324 | 1 | 结构一 |
驱动端 | 单列向心短圆柱滚子轴承 | 32324 | 1 | ||
36SAP-13 | 从动端 | 深沟球轴承 | 6326 | 2 | 结构二 不带轴承内套 |
驱动端 | 深沟球轴承 | 6326 | 2 | ||
36SAP-28 | 从动端 | 深沟球轴承 | 324 | 1 | 结构一 |
驱动端 | 单列向心短圆柱滚子轴承 | 32324 | 1 | ||
40SAP-11 | 从动端 | 深沟球轴承 | 6236 | 1 | 结构二 |
驱动端 | 单列向心短圆柱滚子轴承 | NU236 | 1 | ||
44SAP-14 | 注:两端伸轴 | 角接触轴承 | 7336BCBM | 1对 | 结构一 |
单列向心短圆柱滚子轴承 | NU336 | 1 | |||
44SAP-25 | 从动端 | 单列向心短圆柱滚子轴承 | 32336 | 1 | 结构一 |
驱动端 | 深沟球轴承 | 334 | 1 | ||
48SAP-30 | 从动端 | 滑动轴承 | |||


安装
注意:设备的管道系统,基础和其它部分非泵厂设计,不属于泵厂的责任范畴。泵厂愿意提供资料和建议,但不对这些方面的设计和操作负责。
我们建议用户向精通基础、管道装置,油槽和有关装置的设计专家咨询,以补充和解释泵厂的资料,确保安装成功。
到货检查:
到货后,应立即对设备进行验收,因装运引起的任何缺陷应立即报告给承运人。
拆包装时要小心(见“搬运条款”)。包装内应包括说明书文本和其它部件(如电机)的说明书及装箱单。这些文件应放在一个安全方便的地方以供随时参考,安装前应掌握该手册的全部内容。
泵的零配件可能装于另外的包装内,提货时应检查件数。
储藏:
泵在存放和安装期内应避免腐蚀,若泵需放置一段时间再安装,请把它放在干凉而又干燥的地方,存放的位置要平稳,避免挤撞,盖子请勿拆开。
如存放时间过长,泵要采取防锈措施,放在无腐蚀的地方。
搬动:
泵移动时要小心,如处理不当可能导致泵的损坏或永久失调,吊泵时要细心,勿弯曲或损坏水管。提升泵或零部件的设备应有足够的起吊能力。
泵清洗:
泵运行前,泵腔内应用清水冲洗,清除锈蚀和运输、存放、安装过程中积累的杂物,若泵存放超过六个月,则应拆卸,清洗,检查后才能运行。
安装位置:
泵的安装位置应恰当,并尽可能接近所抽液源,要保证有操作,维修,拆卸和检查泵的适当空间。
主泵房应认真考虑,泵房应有足够能力的起吊设备,当泵用电机驱动时,应考虑环境对设备的影响,房间要通风,避免过热或过于潮湿。
基础:
基础必须牢固,并能吸收泵的振动和永久地支撑1.5倍的机组重量(包括电机)。和一般采用钢筋混凝土作基础。
地脚螺栓建议按下布置图浇固在混凝土中,为防止转动,螺栓的底部和套管上焊上一块带凸橼的大垫片。一次灌浆的基础面须低于底板下平面20~40㎜,以供二次灌浆用。

底板调平:
把设备放在基础上,用楔块或垫块来调平底板,用水平仪检查水平度,拧紧基础螺栓,用水平仪重新检查底板水平度。如有必要进行调整。
校准找正:
泵与电机的同心度至关重要,泵与电机是在工厂组装配套的,但因装运时底板变形,基础螺栓的不均匀拧紧或管道发生弯曲变形等现象,致使泵与电机不同心。因此,泵运行前须重新检查同心度。
确信泵体与底板紧固在一起后,取下联轴器螺栓,然后用千分尺或塞尺检查泵的偏差情况。每隔90°测量联轴器间距,一般泵和电机联轴器之间留3~5㎜间隙。
用直规(刀口尺)横过两联轴器每隔90°测量径向位移情况,并用塞尺测量误差(位移)数值。
现场电机安装:
关键检查电机偏心率。
泵和电机在工厂精心安装时,应检查旋转部件的偏心率。
泵和电机安装调整时,必须坚持电机联轴器的偏心率,因现场安装时电机轴偏心率漏检,经常发生轴被损坏的现象。
管道:
设备安装后,要连接吸入和排出管道,请勿用泵作为管道支架,所有管道均不能用泵支撑。安装附件时,注意避免让泵承受任何压力,管道应多用直管少用弯管,以减少水头损失。
在使用弯管时,泵进出口前后的直管部分应至少为管径的5~10倍长。
管道连接后,应按上述要求再次检查设备的调准情况。
出水管道:
出水管道必须比原排出口大一个规格,习惯上在出口管道上装一个闸阀和止回阀比较好,止回阀能防止停机时回流对泵的损害(泵厂对未装止回阀的损坏不负责任)。为便于检查,止回阀应装在闸与泵之间,闸阀也便于灌引水和泵的起动。
例外:大流量低扬程泵如:冷凝循环泵和灌溉用泵可不装止回阀。
吸入滤网:
为防止新管道内存在的杂物堆转动配合的损坏至关重要。清除杂物可在吸入管道上尽可能接近泵吸入口处装一个滤网,滤网的有效面积应大于吸入管截面积。在滤网的两边装上压力表来测量滤网的阻力。当设备起动时,请仔细观察滤网两侧压力表,如两个压力表的压力差异常增加,说明滤网已被污物和水垢堵塞,这时应停止泵的工作,清除杂物或更换滤网。当管路污物清除完后,取掉滤网。
四、起动前检查:
填料和机械密封:
首先确定您的泵是否装有机械密封或通用填料,如果填料或机械密封是在工厂安装的,可以直接使用。
注意:以上两种轴封形式的选用和安装,可根据用户要求确定。
填料的具体装法如下:
首先,拆下填料压盖,取出水封环,仔细清扫函内和轴上的污物,然后装入两根环形填料,切口错开180°,然后装上水封环,并使其与填料函内润滑水孔对齐。再装填料,最后将剩下的填料压盖装上。均匀拧紧压盖螺母后再松开,用手复紧到指紧的程度,这样就可以保证适当的泄漏量使填料得以润滑。
注意:填料压盖不要拧得太紧,使填料停止泄漏。少量的泄漏可以使填料得以润滑,如停止泄漏将会引起填料烧损和轴套插伤。
机械密封安装:
请参照机械密封样本尺寸及要求进行安装。
电机准备及润滑:
请按电机厂的说明做好电机的操作准备。接线后,旋转方向务必与泵上的箭头方向一致,在联轴器未连接时就要确认。
注意:联轴器连接前,必须检查电机转向,设备的旋转方向不正确会引起设备的损坏和人员的伤害。
电机驱动时,请注意电机铭牌标明的电压和频率须与线路一致。检查所有的接线头并根据线路图操作。电机的润滑参照电机厂的说明进行。
轴承:
装滚动轴承的泵用黄油作润滑剂,注入轴承体时,以占轴承体空间的70%为宜。
五、操作:
起动前的检查全部完成后,请注意以下的操作准备起动泵。
泵起动:
1、用手转动转子至少一周,观察所有零件是否旋转自如,因为安装运输过程不妥,管道变形可能会引起转子的咬合、摩擦。
2、给泵灌引水、用液源的水倒注,或用其它水源注入,或采用抽真空的方法均可。
3、检查系统布置。管道布置合理能使泵有效地输送所抽液体,每次泵起动,当排出管道无压力时,务必关闭出口闸阀。
4、如果填料函为外接水封,需要外接水源有充足的压力以产生适当的流量,如果接泵体压出室外的压力水则请用泵本身的水封管部件。
5、启动驱动机,使泵增速并让内部零件得到润滑。
6、泵达到额定转速,请逐渐打开吐出阀以避免速度突变和吸入管内压力波动。在任何时候请勿长时间关闭运行,否则泵内的液体就会增热甚至达到汽化的程度,使泵擦伤卡住,或使泵断流失去吸入能力。
7、调节阀门控制填料函密封水,确保适当的泄漏,使填料得到充分润滑,在适量的泄漏下保持压盖尽可能的松很重要,正常的泄漏量为10~15滴/分。如压盖过紧,则造成轴套和填料的磨损,同时增加机械损失。
8、短时间运行后,应检查所有螺栓的松紧情况,同时检查联轴器的同轴度和转子的灵活情况。
停机:
1、当停止水泵时,要慢慢关闭吐出阀门和真空计旋塞,然后停止电动机,并关闭压力旋塞,若所处环境温度较低时,应将泵体最下方的旋塞打开,放出泵内余水,以免冻裂。
2、当长期停止使用水泵时,应将水泵拆开擦干零件上的水,并在加工面上涂上防锈油,妥善保存。
操作检查:
1、注意轴承温度,一般不超过外界温度35℃,最高温度不应超过75℃。
2、填料需要少许泄漏以便冷却和润滑,请按前述方法调整压盖。
3、定期检查弹性联轴器。
4、水泵运行过程中应进行周期性检查,叶轮与密封环的间隙磨损过大时,应更换叶轮或密封环。
六、大修时的正规维修程序
填料更换:
当填料磨损到泄漏不能控制的程度,建议更换填料。首先旋下罗马,取下压盖,用夹子或钩子取下填料和水封环,然后彻底清洗填料函体,然后检查并更换磨损了得轴套,重新装上新的填料,请参照前述的“填料的具体装法”。
机械密封更换:
为更换机械密封,泵应拆卸,然后取下机械密封零件,换上新品,压盖也应彻底清洗,并换上新的“O”形圈。
从动端:
1、卸下轴承端盖,松下缩紧园螺母,取下轴承。
2、取下轴承体和挡水圈。
3、取下压盖螺栓和压盖。
4、取下轴套和“O”形圈。
5、取下带机械密封部件的轴套。
6、将动环在轴套上的位置划上标记线,然后从轴套上取下来。
7、在轴套上装上新的机封零件,并调到划线位置。
8、在轴上装上轴套,“O”形圈,安装压盖及压盖螺栓。
9、安装轴承衬套、轴承、挡水圈和锁紧园螺母并拧紧。
10、安装轴承体、轴承端盖、装上螺栓。
对驱动端机械密封的更换程序同上。
拆卸泵的程序:(请参考泵的结构图)
1、断开电源接头
2、断开联轴器
3、停止泵的其它辅助系统的工作
4、拆下任何可能妨碍拆卸的辅助管道
5、排出泵体内的水
6、旋下填料压盖螺母,取消压盖(若使用机封,需取下压盖螺栓)
7、卸下中开面螺栓
8、卸下泵盖
9、取下轴承体螺栓
10、吊下转子部件,放在架上
11、卸下锁紧联轴器的园螺母
12、卸下联轴器
13、卸下轴承衬套、轴承、轴承压盖、轴承体、挡水圈
14、取下叶轮挡套,“O”形圈、水封环、填料及填料衬套或卸下带机封的轴套(用机封时)
15、取下泵体口环
16、取下叶轮、键
零件检测:
更换标准的泵体口环,同时应全面检查轴承看是否有疲劳痕迹,如有请更换。
机械密封检验:
1、检查静环和动环的密封面看是否有磨损或裂痕。
2、检查“O”形圈是否有损坏。检查所有垫片和弹簧。
3、安装机封时请参照“机械密封更换方法”进行。
泵体、泵盖中开面检查:
由于泵体、泵盖中开面密封是用胶密封,因此,对中开面的胶必须清理干净,确保重新安装时的密封效果。
泵重新组装:
1、装上叶轮键,将叶轮装在轴上,再在叶轮上套上泵体口环。
2、装上叶轮挡套、轴套、“O”形圈、填料衬套、水封环及填料压盖。
3、装带有机封的泵时,将装好了的机封的轴套、压盖装于泵上。
4、装挡水圈,油封,轴承压盖和轴承体。
5、将装好轴承的衬套一起装在轴上。
6、在轴的从动端装上锁紧园螺母,端盖垫和轴承端盖。
7、在轴的驱动端装上端盖垫,轴承端盖,联轴器和锁紧螺母。
8、吊转子部件置于泵体中。
9、确定泵体口环与销的位置是否正确。
10、装上轴承的螺栓。
11、在泵体的中开面上均匀的涂上密封胶。
12、装上泵盖和中开面螺栓,并均匀对称的拧紧螺栓。请检查转子的轴向间隙,该间隙应在0.15~0.2㎜之间,同时请确认转子转动灵活。
13、装填料,请参考“填料的具体装法”。
14、把挡水圈装在离轴承体1~6㎜。
15、装联轴器柱销,检查与电机的同轴度,如有必要应进行调整。
七、可能发生的故障及解决办法
故障 | 原因 | 解决办法 |
1、水泵不吸水,压力表及真空表的指针在剧烈摆动 | 注入水泵的水不够,吸入管路水管或仪表漏气 | 再往水泵内注水或拧紧堵塞漏气处 |
2、水泵不吸水,真空表表示高度真空 | 底阀没有打开,或已淤塞,吸入管路阻力太大,泵安装高度太高 | 校正或更改底阀,清洗或更改吸入管路,减低吸水高度 |
3、看压力表水泵出水处是有压力,然而水管仍不出水 | 出水管阻力太大,旋转方向不对,叶轮淤塞 | 检查或缩短水管及检查电机,取下水管接头,清洗叶轮 |
4、流量低于预计 | 水泵淤塞,口环磨损过多 | 清洗水泵及管子,更换口环 |
5、水泵耗费的功率过大 | 填料函压得太紧,填料函发热,因磨损叶轮坏了,水泵供水量增加 | 拧紧填料函,或将填料取出来打方一些,更换叶轮,增加出水管路的阻力,来降低流量 |
6、水泵内部声音反常,水泵不上水 | 流量太大,吸水管内阻力太大,吸水高度过大,在吸水处有空气渗入,所输送的液体温度过高 | 增加出水管得阻力以减低流量,检查泵吸入管内阻力,检查底阀减少吸水高度。拧紧堵塞漏气处。降低液体温度 |
7、轴承过热 | 没有油,水泵轴与电机轴不在一条中心线上 | 注油,把轴中心校准 |
8、水泵振动 | 泵轴与电机轴不在一条中心线上或泵轴倾斜了 | 把水泵和电机的轴中心线对准 |
型谱图(Performance Charts)



